![]() |
|
|
![]() ![]()
|
Úprava
TRX Motorola GM1200.....
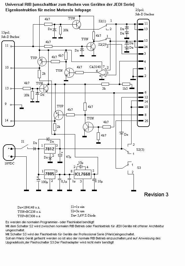
Dostal jsem již několik e-mailů, kde se lidé ptají jak je to s tou GM1200. Jelikož já píši o velkých možnostech tohoto rádia a o 255 paměťových míst a přitom GM1200 je jen 10 kanálová.....A tak nezbývá než se o tom trochu rozepsat. Motorola GM1200 je opravdu klasické trunkové 10 kanálové rádio. Ale.......také existuje MCS2100 (MCS2000, MC2100 atd. označení je několik, podle toho pro jaký kontinent bylo vyrobeno), což je klasické simplexní 255 kanálové rádio, které je naprosto shodné s GM1200 a to jak vzhledově tak i vnitřním zapojením. Rozdíl je jen v obsahu vnitřní paměťi EPROM. Proto je možné provést flash z GM na M a pak získáme klasické simplexní rádio které je velmi kvalitní, s možností nastavit prakticky jakýkoliv parametr TRX, a také zobrazit to co nám vyhovuje na displayi. Jen ještě musím dodat, na což se mě také velmi často ptáte, klávesnice NEUMOŽŇUJE zadávání přímo kmitočtu. Toto neumí žádná mobilní radiostanice Motorola. Vše vypadá celkem jednoduše, bohužel tak snadná operace to není, pro flash je nutné použít PC maximálně 486 na 50MHz, dále RIB je jiný než na klasické programování viz zde: - což je logické neb na přepis paměti je potřeba přesné napětí 13V, dále existuje několik různých verzí flash softu, (sky_u19L, upgrade, mpt_stg4, a další) takže i dvě naprosto shodná rádia nemusí jít přeflashovat stejným softem. Již se mi to několikrát stalo. Mé osobní vysvětlení je, že pravděpodobně používali součáskovou základnu několika výrobců. A to nejhorší nakonec. Některé modely NEJDOU přeflashovat. Jedná se většinou o typy BEZ klávesnice modelové řady typu...M01RFL9CK4AN. Tyto takřka neumožňují přepis. Taktéž GM1200E je zcela odlišné rádio, (je to VIP řady ARIANE, jako je GM950!!) i když se liší v názvu jen jedním písmenkem! Pro flash i po něm budete potřebovat soft "Wookie", klasický soft pro GM1200 vám již nebude fungovat, jelikož tento soft je pro trunkové rádio! Hodně úspěchů při bastlení...... a jestli potřebujete pomoci zkuste napsat..... Zde si můžete stáhout programové náplně do TRX. Jedná se většinou o celé AMA pásmo plus SD a PMR (Důkladně zkontrolujte jakou verzi máte!!!) GM1200 - verze s klávesnicí GM1200 - verze s kolečkem zpět na úvodní stránku... zpět na Motorola |
|
Copyright © ok1ife 2009 |
|