![]() |
|
|
![]() ![]() |
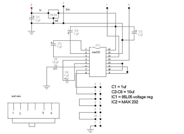
Programování radiostanic TAIT Tyto stanice jsou opředeny jakýmsi tajemstvím. V podstatě to, jak vypadá programovací převodník o tom moc informací na netu nenajdete. ( I přesto, že softy se dají na najít celkem bezproblémů, ale pozor pro jeden typ TRX může být i několik verzí programu, tuto skutečnost Vám soft neoznámí jako to znáte třeba u Motoroly) Tait je totiž tak trochu vyjímka co se týče programovacích úrovní a dat. Ty nejsou jak je běžné u jiných značek, invertovány. A to je ta zásadní změna, jelikož např oblíbený MAX232 vám data invertuje a proto nebude v základním zapojení fungovat. Na různých stránkách jsou úpravy převodníků, včetně invertování zpět pomocí hradel 4093 . Viz tyto stránky, ale jak sám autor poznamenal, není to dobré a spolehlivé řešení. Já bych raději zvolil tedy 4049, ale to je na každém z vás. Zapojení jsem pro zajímavost vyzkoušel..... Šel jsem nakonec jinou jednodušší elegantnější a hlavně klasickou cestou, využil jsem již zmiňovaný převodník MAX232 jakoby v dvojitém zapojení.(Ve své podstatě tedy převodník RS/TTL/RS.) Stanice je bez problémů využitelná i pro AMA. Citlivost i PWR VF je srovnatelná s jinými značkami ve své třídě. Také je dosti problém najít bližší specifikace jednotlivých radiostanic. To najdete zde. Tabulka není složitá a pochopitelná myslím že pro každého..... Ze své zkušenosti hodnotím Tait jako normální běžné radiostanice, výhodu zjišťuji, že výrobce zvolil i výrobu T2020 což je 100 kanálová verze s plnou výbavou, čímž TAIT v té době nasadil laťku dost vysoko. Přesto asi lidé dali přednost např Motorole GM950 N3, či ICOMU F-1010. Zapojení mikrofonu... Zapojení napájecího konektoru najdete zde. Zapojení systémového konektoru je zde... Zde je návod či specifikace nastavení trimrů PWR, modulace, atd.. Zpět na úvodní stránku........ |
|
Copyright © ok1ife 2009 |
|